Friday, December 03, 2021
[Download 43+] Schematic Diagram Power Amplifier Peavey
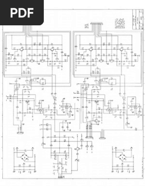
View Images Library Photos and Pictures. Vintage Schematics Peavey Schematics Peavey Pv 1200 Service Manual Download Schematics Eeprom Repair Info For Electronics Experts Peavey Electronics Repair Click On The Link For Free Download This Picture Is A Preview Of Peavey Pv 1500 Circuit Diagram Audio Amplifier Circuit
. Triode Electronics Altec Lansing Schematic Literature Archive Pvi8500 Power Mixer Amplifier Schematics Is1681mv10 Peavey Electronics Diagram Peavey T 40 Wiring Diagram Full Version Hd Quality Wiring Diagram Diagramneel Laserdrone It
Free Download Peavey Transformer Power Amp Schematics
Free Download Peavey Transformer Power Amp Schematics
Diagram Peavey T 40 Wiring Diagram Full Version Hd Quality Wiring Diagram Diagramneel Laserdrone It
Click On The Link For Free Download This Picture Is A Preview Of Peavey Pv 1500 Circuit Diagram Audio Amplifier Circuit
Diagram Peavey T 40 Wiring Diagram Full Version Hd Quality Wiring Diagram Diagramneel Laserdrone It
Diagram Peavey 5150 Wiring Diagram Full Version Hd Quality Wiring Diagram Staplerdiagraml Alpoggioantico It
Peavey Pv 1500 Service Manual Download Schematics Eeprom Repair Info For Electronics Experts Amplifier Power Amplifiers Audio Amplifier
Peavey Cs 4080 Power Amplifier Electronics Youtube
Peavey Vip 3 Manual Free Download Bsever
Free Download Peavey Classic 400 Preamp Power Amp Schematics
Peavey Pv 2600 Service Manual Download Schematics Eeprom Repair Info For Electronics Experts
Peavey 400bh Service Manual Download Schematics Eeprom Repair Info For Electronics Experts
Guitar Tube Amplifier Peavey Schematic Under Vacuum Tube Valves Circuits 8178 Next Gr
Peavey Krell 100 Rangkaian Elektronik Teknologi Elektronik
Peavey Cs 1000 Amplifier Service Manual Download Schematics Eeprom Repair Info For Electronics Experts
Pvi5300 Power Mixer Amplifier Schematics Is1681mv10 Peavey Electronics
Peavey Nashville 400 Service Manual Download Schematics Eeprom Repair Info For Electronics E Electronic Schematics Electronic Circuit Design Audio Amplifier
Diagram Solid State Amp Wiring Diagram Full Version Hd Quality Wiring Diagram Pdfxvidala Trkbrd It
Peavey Pv 1500 Service Manual Download Schematics Eeprom Repair Info For Electronics Experts
Pvi8500 Power Mixer Amplifier Schematics Is1681mv10 Peavey Electronics
Peavey Bandit 112 32101173 Power Amplifier Sch Service Manual Download Schematics Eeprom Repair Info For Electronics Experts
Amps Peaveysession400mod Robertllawrence
Diagram Bth A1a Power Amplifier Schematic Diagram Manual Full Version Hd Quality Diagram Manual Sptxerluive Trodat Printy 4921 Fr
Peavey Pv 8 5c Sch Service Manual Download Schematics Eeprom Repair Info For Electronics Experts





